アーカイブ情報
2025/2/19
【高速度ビデオカメラ】島津製作所、撮影速度1秒間2000万コマと従来比3倍の高解像度を誇る「HyperVision HPV-X3」発売

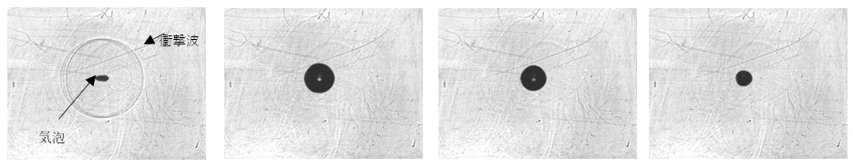
島津製作所は、2月19日に高速度ビデオカメラ「HyperVision HPV-X3」を発売した。高速度カメラは、材料科学や宇宙開発の分野において、材料の変形・破壊、衝撃波やプラズマ、放電などに伴う物理現象を解明するために利用されるほか、医療分野や産業分野でもマイクロバブル、インクジェット、燃料噴霧などに関する製品の評価・観察用途での需要が増加している。同製品は、従来比2倍となる世界最高水準の撮影速度を実現し、これらの現象解明と産業発展に貢献する。
島津製作所は2005年から高速度ビデオカメラを製造・販売するパイオニア。近年の「微小な領域で起こる超高速現象を、より高速・高画質で観察したい」という需要に応えて、東北大学未来科学技術共同研究センター黒田理人教授・須川成利教授と共同で高速CMOSイメージセンサ「FTCMOS3」を新たに開発し、HyperVision HPV-X3に搭載した。島津製作所と東北大学は、高速CMOSイメージセンサ「FTCOMS」シリーズの開発を通じて、大学や研究機関などの独創的な研究成果を実用化した優れた研究開発(技術)について研究者および企業を表彰する「井上春成賞」を2022年に受賞している。
HyperVision HPV-X3は、同社従来機種「HyperVision HPV-X2」と比べて撮影速度を2倍に高めて、1秒間に2000万コマ(フレーム)という世界最高水準を実現した。また、画素数は従来機種の3倍に向上し、最高撮影速度であっても解像度は低下しない。さらに、外部信号と同期して撮影する新機能によって、操作性を高めた。島津製作所はHyperVision HPV-X3を通じて、微小領域で起こる人の目では見えない超高速現象を映像として記録し可視化することで、様々な基礎研究を支援していく。
<HyperVision HPV-X3の特長>
1. 世界最高水準の高速撮影
東北大学と共同開発した高速イメージセンサ「FTCMOS3」を搭載して、最高撮影速度を従来機種の1000万コマ/秒から2000万コマ/秒に向上した。世界最高水準の撮影速度で、超高速現象を逃さずに記録できる。
2. 従来比3倍の画素数で解像度が向上
画素数を従来比3倍となる30万画素に向上させたことで、解像度を維持した高速度撮影が可能。強度試験など試料の変形を伴う試験でひずみ量を測るDIC(Digital Image Correlation)計測においても、より精度の高いデータ取得が可能。
3. フレーム同期機能を初搭載
超高速現象の撮影では、照明の照射や被写体の変形と撮影タイミングを合わせることが重要。HyperVision HPV-X3は、各コマごとに外部からの信号に撮影タイミングを同期させる機能を島津製作所の製品として初めて搭載した。撮影タイミングを制御して、超高速現象を正確に捉える。

希望販売価格は4477万円~(税込)、販売目標は2025年度に国内外合わせて40台。
- カテゴリー
- コンバーティングプロダクツ&テクノロジー

